Sign In | Join Free | My futurenowinc.com
China Hunan Boyun-Dongfang Powder Metallurgy Co., Ltd logo
Hunan Boyun-Dongfang Powder Metallurgy Co., Ltd
INNOVATION ACHIEVE YOU AND ME
Active Member

6 Years

Home > Carbide Punch Pin >

Hard Alloy Carbide Punch Pin Precision Mold Components High Hardness

Hunan Boyun-Dongfang Powder Metallurgy Co., Ltd
Contact Now

Hard Alloy Carbide Punch Pin Precision Mold Components High Hardness

Brand Name : PM

MOQ : 1

Payment Terms : L/C, T/T

Delivery Time : 10 working days

Product material : tungsten carbide,100% Original Carbide

Product : Mold Parts

Grade : MD40A

Application : For Upper and Lower dies,Stamping and Cutting

Type : Any Type

Advantage : Electrochemical corrosion resistance;Hip sintered, high hardness, high wear resistance;Tunable residual stress;

Surface treatment : Polishing

Usage : For mould, Stamping Work, Cemented carbide dies,

Contact Now

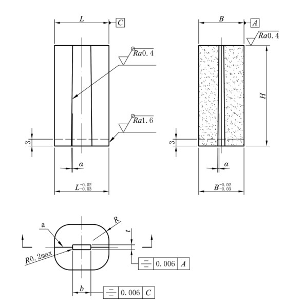
Counting Dies TYPE A

High performance cemented carbides for molding;Standard Specification For Square Material and Standard Specifications Of The Rings. Also we can produce the your drawing of ring.

  • 100% raw material;
  • Hip sintered, high hardness, high wear resistance;
  • Tunable residual stress
  • Electrochemical corrosion resistance
TYPE A
t±0.002b±0.002L+0.005 +0.003B+0.005 +0.003H±0.02R
1.083.0810825,27,29,323.0
1.283.08121025,27,29,323.5
1.583.08121025,27,29,323.5
1.084.0810825,27,29,323.0
1.284.08121025,27,29,323.5
1.584.08121025,27,29,323.5
1.085.0810825,27,29,323.0
1.285.08121025,27,29,323.5
1.585.08121025,27,29,323.5
 When machining with EDM process, R shall be determined by the manufacturer 
GradeCo%WC Grain sizeHardnessDensityFlexural StrengthFracture ToughnessElastic ModulusCoefficient of Thermal Expansion
HRAHV30g/cm3MPaN/mm2GPa10-6/℃
MD40B12Fine89.5138014.23800174705.7
MD40C12Fine89.7140014.13800164705.7
MD40A12Medium88.9131014.23700274705.7
MD45A15Medium87.9120013.93600-4306.3



Product Tags:

Hard Alloy Carbide Punch Pin

      

Carbide Punch Pin Precision Mold Components

      

Carbide Mold Components High Hardness

      
Wholesale Hard Alloy Carbide Punch Pin Precision Mold Components High Hardness from china suppliers

Hard Alloy Carbide Punch Pin Precision Mold Components High Hardness Images

Inquiry Cart 0
Send your message to this supplier
 
*From:
*To: Hunan Boyun-Dongfang Powder Metallurgy Co., Ltd
*Subject:
*Message:
Characters Remaining: (0/3000)